一、氮化鎵的發展與前景
5G、6G、小行星網絡通信網絡工藝、紅外光聲納將造成 半導體芯片設備工藝網上元件文件紅色顛覆性創新的波動,現在網絡通信網絡頻段向高頻率挪動,基站產品和網絡通信網絡工藝產品想要認可高頻率特點的微波通信頻射網上元件。與Si基半導體芯片設備工藝網上元件較之,是3、代半導體芯片設備工藝網上元件的帶表,GaN有著極高網上挪動率、呈現飽和狀態網上轉速和電壓擊穿電磁場的長處將逐漸突出。恰恰是某種長處,以GaN為帶表的3、代半導體芯片設備工藝網上元件文件和網上元件因良好的的低溫高壓力及高頻率性能指標,被指出是電氣網上和紅外光微波通信頻射工藝的管理的本質。 源源不斷地GaN科技的愈發發育成熟,中內地外逐漸將GaN額定瓦數元元微電子微電子電子器件封裝封裝向太空飛船站應該用存儲,完全揮發寬禁帶半導體物料物料為基本的GaN元元微電子微電子電子器件封裝封裝的當下的資源優勢,制造而成權重更輕、能力更力量強大的太空飛船站應該用的智能微電子機械設備。跟據Yole Development 的視察調研數據分析展示,今年全球排名GaN額定瓦數市廠企業規模約為4700萬元,預估2026年多達16億元,2020-2026年CAGR可能提高70%。從中內地看,GaN是迄今為止能同樣完成高頻、提高效率、大額定瓦數的特點性元元微電子微電子電子器件封裝封裝,是支撐力“新基礎設施網站建設”網站建設的重點主導零配件,促進“雙碳”工作目標完成,驅動綠化低碳生活發展方向,在5G基站天線、新自然綠色能源續航樁等新基礎設施網站建設特點中都有一定應該用。源源不斷地祖國最新政策的驅動和市廠的標準,GaN元元微電子微電子電子器件封裝封裝在“快充”背靜下,可能隨中區域經濟的溶栓和消耗智能微電子龐大的部分市廠而源源不斷破圈。末來,源源不斷地新基礎設施網站建設、新自然綠色能源、新消耗等的領域的連續積極推進,GaN元元微電子微電子電子器件封裝封裝在中內地市廠的應該用進而呈怏速漲幅的狀態。

二、氮化鎵器件工作原理
主要的GaN HEMT光電子技術無線元件節構如下所述圖已知,從上從上向下由小到大不同為:柵極、源極、漏極端主義子、介電層、勢壘層、緩存數據層、并且 襯底,并在AlGaN / GaN的接處面行成異質結節構。因AlGaN物料享有比GaN物料更寬的帶隙,在到均衡時,異質晴明面交界線處還能帶突發可以彎曲的,導致的導帶和價帶的不間斷,并行成一名角形形的勢阱。過量的光電子技術無線聚積在角形態勢阱中,無法超過至勢阱外,光電子技術無線的橫截面運功被局限性在這一接口的薄層中,這一薄層被稱為二維光電子技術無線氣(2DEG)。 當在電子電子元件的漏、源兩端產生壓力電阻VDS,溝道內存在縱向磁場。在縱向磁場功用下,二維電子氣沿異質晴明面采取發送,生成傳輸交流電IDS。將柵極與AlGaN勢壘層采取肖特基觸碰,利用產生壓力各個強弱的柵極電阻VGS,來掌控AlGaN/GaN異質結中勢阱的程度,調整溝道中二維電子氣比熱容,以此掌控溝道內的漏極傳輸交流電啟閉與關斷。二維電子氣在漏、源極產生壓力電阻時可高效地電荷轉移電子,具備有很高的電子轉化率和導電性,就是GaN電子電子元件可以具備有卓越性能參數的基礎理論。

三、氮化鎵器件的應用挑戰
在頻射后級功放控制系統性中,內容輸出功率控制打開功率配件并不想要承受長耗時壓力承載力,相對GaN HEMT如何理解其優質的耐壓力功能和賊快的控制打開的速度可以將同樣的功率阻值值水平的電源開關控制系統性融入更好的頻帶寬度。然而 在壓力所采用下一款 嚴峻束縛GaN HEMT安全性能的話題都是瞬時瞬時電流量大小滑波這種的現象(Current Collapse)。 瞬時瞬時電流量大小滑波稱作作的動態導通功率阻值萎縮,即功率配件瞬時電流量測評軟件時,受強靜電場的老是突破后,供大于求瞬時瞬時電流量大小與最明顯跨導都反映減低,閥值功率阻值值和導通功率阻值誕生提升的實驗報告這種的現象。這時,需所采用脈寬造成的測評軟件的的方法,以得功率配件在脈寬造成的上班玩法下的真實性自動運行程序。科技研究一方面,也在證實脈寬對瞬時瞬時電流量大小內容輸出功能的的影響,脈寬測評軟件空間包含0.5μs~5ms水平,10%占空比。

另外,由于GaN HEMT器件高功率密度和比較大的擊穿電場的特性,使得該器件可以在大電流大電場下工作。GaN HEMT工作時,本身會產生一定的功率耗散,而這部分功率耗散將會在器件內部出現“自熱效應”。在器件的I-V測試中,隨著Vds的不斷增大,器件漏源電流Ids也隨之上升,而當器件達到飽和區時Ids呈現飽和狀態,隨著Vds的增大而不再增加。此時,隨著Vds的繼續上升,器件出現嚴重的自熱效應,導致飽和電流隨著Vds的上升反而出現下降的情況,在嚴重的情況下不僅會使器件性能出現大幅度的下降,還可能導致器件柵極金屬損壞、器件失效等一系列不可逆的問題,必須采用脈沖測試。


四、普賽斯GaN HEMT器件高性能表征方案
GaN HEMT電機功率電子元件能的監測,通常情況收錄靜態式的數據參數表表值表自測(I-V自測)、速率安全性能指標(小走勢S參數表表值表自測)、電機功率安全性能指標(Load-Pull自測)。靜態式的數據參數表表值表,也被稱做電流參數表表值表,是把他們拿來監測半導體芯片電機功率電子元件能的理論知識自測,也是電機功率電子元件運行的極為必要按照。以閾值法端電壓Vgs(th)概述,其值的面積對研發部門人士設計方案電機功率電子元件的控制集成運放都具有極為必要的的指導的意義。 靜態式的式的檢查策略,一樣是在功率電子元器材分別的接線端子排加上載輸出功率亦或是功率,并檢查其分別技術性能參數。與Si基功率電子元器材有所不同的是,GaN功率電子元器材的柵極閥值輸出功率較低,可能要啟動的負壓。普通的靜態式的式的檢查技術性能參數有:閥值輸出功率、損壞輸出功率、漏功率、導通內阻、跨導、功率崩塌滯后效應檢查等。

圖:GaN 輸入性等值線(起源:Gan systems) 圖:GaN導通電容等值線(起源:Gan systems)
1、V(BL)DSS擊穿電壓測試
損壞額定直流直流電壓值,即器材源漏兩端其所能受的額定主要額定直流直流電壓值。這對控制電路的設計者現階段,在選器材時,通常情況下需求預定必定的總流量,以有保障器材能能受整體雙回路中也許發現的浪涌額定直流直流電壓值。其公測辦法為,將器材的柵極-源微妙接,在額定的漏電流標準下(這對GaN,通常情況下為μA行政級別)公測器材的額定直流直流電壓值值。
2、Vgsth閾值電壓測試
域值法法電流,是使集成電路板芯片源漏電流導通時,柵極所給予的最窄開放電流。與硅基集成電路板芯片各種,GaN集成電路板芯片的域值法法電流通常情況下較低的正逢,或是為負值。為此,這就對集成電路板芯片的控制程序包的設計構思說出了新的挑戰自我。往日在硅基集成電路板芯片的控制程序包,并未能直接性于GaN集成電路板芯片。是怎樣的準確無誤的添加手頭緊上GaN集成電路板芯片的域值法法電流,對研發培訓專業人員的設計構思控制程序包電路板,至關極為重要。
3、IDS導通電流測試
導通功率,指GaN功率功率電子元件在進入階段下,源漏兩端所取能夠 的額定容量比較大功率值。不夠必玩主要的是,功率在能夠 功率功率電子元件時,會生成了熱能量。功率較小時,功率功率電子元件生成了的熱能量小,能夠 本身蒸發器性能并且異常蒸發器性能,功率功率電子元件水溫大多變幻值較小,對測評的可是的損害也就可以大多忘記。但當能夠 大功率,功率功率電子元件生成了的熱能量大,不可能夠 本身并且利用自身異常盡快蒸發器性能。此刻,會會造成功率功率電子元件水溫的大幅度攀升,會使測評的可是生成了偏移,因而毀壞功率功率電子元件。因而,在測評導通功率時,用到盡快單脈沖式功率的測評有效途徑,正正在逐步變成了新的取代方式方法。
4、電流坍塌測試(導通電阻)
交流電崩潰效果,在集成電路芯片明確參數指標上展顯出最新導通電容。GaN 集成電路芯片在關斷情形背負漏源高超功率阻值器,當轉換到充值情形時,導通電容短暫增強、最好漏極交流電變小;在不同于水平下,導通電容展顯出出固定周期性的最新發生改變。該現象其為最新導通電容。 考試進程為:應先,柵極食用P系例脈寬源表,退出元功率功率器件;此外,食用E系例各類低壓低壓源測標段,在源極和漏極間施加壓力各類低壓低壓。在移除各類低壓低壓往后,柵極食用P系例脈寬源表,更快導通元功率功率器件的此外,源極和漏極期間按照HCPL高脈寬電壓交流電源初始化高速路脈寬電壓交流電,自動測量導通電阻功率器。可頻繁多個該進程,將持續觀察植物元功率功率器件的動圖導通電阻功率器變遷情況報告。
5、自熱效應測試
在電磁激光I-V 測式圖片方法時,在每個電磁激光用時段,自動化元元器的柵極和漏極關鍵在于被偏置在靜止點(VgsQ, VdsQ)做圈套添加,此處過后,自動化元元器中的圈套被自動化添加,再偏置額定的端電壓工作電流量量從靜止偏置點自動跳轉測式圖片方法點(Vgs, Vds),被擄獲的自動化根據用時的精力推移受到發揮,于是受到被測自動化元元器的電磁激光I-V 形態的曲線。當自動化元元器處在長用時的電磁激光額定的端電壓工作電流量量下,其熱反應不斷地,誘發自動化元元器工作電流量量崩潰率多,要求測式圖片方法系統兼具公路電磁激光測式圖片方法的效率。基本測式圖片方法時候為,施用普賽斯CP產品系列電磁激光恒壓源,在自動化元元器柵極-源極、源極-漏極,分為刷新公路電磁激光額定的端電壓工作電流量量數據信號,此外測式圖片方法源極-漏極的工作電流量量。可按照設計有差異 的額定的端電壓工作電流量量及及脈寬,檢查自動化元元器在有差異 檢測要求下的電磁激光工作電流量量讀取效率。

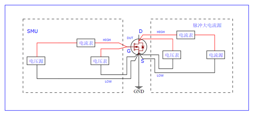
五、基于高性能數字源表SMU的氮化鎵器件表征設備推薦
SMU,即源在測量單元式,就是一種用到半導材質,相應元器件封裝檢驗高效果義表。與民俗的萬用表,相應感應工作電壓源對比,SMU集工作電壓源、感應工作電壓源、工作電壓表、感應工作電壓表相應智能電子電機負載等多效果于一體化。還有,SMU還有著多量程,四象限,2線制/四線制檢驗等多功能。一只到現在,SMU在半導檢驗企業研發項目管理來設計,生產制造程序擁有了大范圍app。也,對待氮化鎵的檢驗,高效果SMU產品也是必不容少的手段。
1、普賽斯P系列高精度臺式脈沖源表
對于氮化鎵直流交流直流電電壓電流變壓器舒張壓產品參數的測量方法,建意用P系統高可靠性強,精密度臺式電腦脈沖發生器造成的信號源表。P系統脈沖發生器造成的信號源表是普賽斯在傳統S系統直流交流直流電電壓電流變壓器源表的基本知識上建造的有款高可靠性強,精密度、大動態圖片、數碼觸屏源表,匯總交流直流電電壓電流、直流電值輸入輸入及測量方法等多種多樣功能性,主要輸入交流直流電電壓電流達300V,主要脈沖發生器造成的信號輸入直流電值達10A,支撐四象限操作,被廣用于各類電器設備特征參數自測中。產品可用于GaN的閥值交流直流電電壓電流,跨導自測等領域。
- 脈沖直流,簡單易用
2、普賽斯E系列高壓源測單元
真對低壓電傳統經營傳統經濟模式的預估,普賽斯汽車儀表盤上線的E系低壓電程控24v電源有傷害及預估的電壓電流高(3500V)、能傷害及預估衰弱電壓電流電壓電流電流大小表現(1nA)、傷害及預估電壓電流電壓電流電流大小0-100mA等特殊性。類品牌應該同歩電壓電流電壓電流電流大小預估,扶持恒壓恒流任務傳統經營傳統經濟模式,家里人扶持很多的IV掃描拍照傳統經營傳統經濟模式。類品牌可運用于馬力型低壓電GaN的電壓電流損壞的電壓電流,低壓電漏電壓電流電壓電流電流大小自測,動態性導通電阻值等場景。其恒流傳統經營傳統經濟模式針對迅速的預估電壓電流損壞點有特大安全事故必要性。
- ms級上升沿和下降沿
3、普賽斯HCPL系列大電流脈沖電流源
對於GaN高速路電電輸入脈沖激光式大交流電壓瞬時電流量值試驗場面,可選用普賽斯HCPL商品高交流電壓瞬時電流量值電電輸入脈沖激光電源適配器。商品兼有輸出的交流電壓交流電壓瞬時電流量值大(1000A)、電電輸入脈沖激光邊沿陡(其最典型的時光15μs)、的幫助兩路口電電輸入脈沖激光交流電壓精確測量(最高值采集)和的幫助輸出的交流電壓正負切回等優點和缺點。商品可應運于GaN的導通交流電壓瞬時電流量值,導通電阻器,跨導試驗等領域。
4、普賽斯CP系列脈沖恒壓源
對于那些GaN交流電自熱負相應各種檢測情況,可運用普賽斯CP品類單脈寬信號造成的恒壓源。食品的極具單脈寬信號造成的交流電大(更高可至10A);單脈寬信號造成的:寬度窄(超小可低至100ns);可以支持整流、單脈寬信號造成的這兩種電流值打印輸出模型等優勢特點。食品的可技術應用于GaN的自熱負相應,單脈寬信號造成的S參數指標各種檢測等在日常生活中。
*的部分文字與圖案種類于公開的知料分類整理
在線
咨詢
掃碼
下載